• ¡Bienvenidos a Zamux Electrónica! COMPONENTES ELECTRONICOS, ROBOTICA & TECNOLOGIA
    Todos nuestros productos cuentan con GARANTÍA!
    Leer más
    |

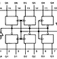
    74174 FLIP FLOP D ( 6 INTERNAMENTE)

    Descripción

    74ls174 6 flip-flops tipo D con entradas de clear y reloj comunes, disparo por flanco de subida. TTL

    También podría interesarte uno de estos

    Envíanos un mensaje de WhatsApp